ePohony

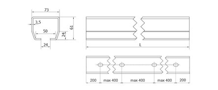
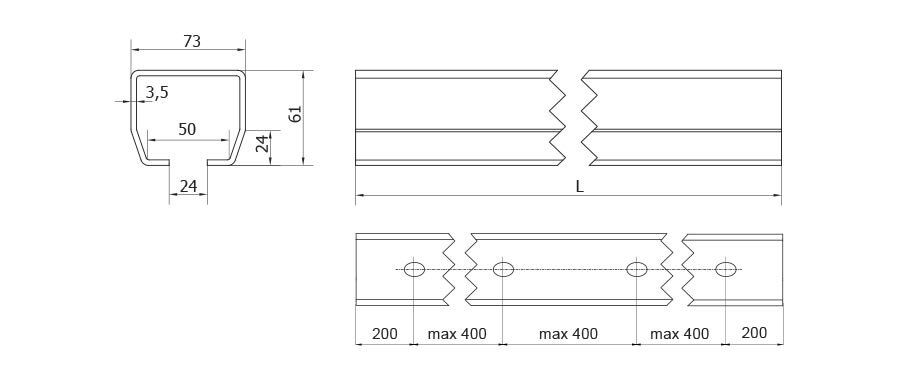
STAGE SZ - Šína pozink pre posuvné brány do 400kg

Pozinkovaná šina - c profil pre samonosné brány

Kód produktu STAGE SZ
Hmotnosť 34 kg
Dostupnosť Skladom
Výrobca CAIS

Cena za 1m šíny - c profilu

Viac informácií

35,92 €
29,20 € bez DPH

Príslušenstvo

Šína zinkovaná s výnosom do maximálnej dĺžky prejazdu 4m a hmotnosti 400kg.

  • uvedená cena za 1 m C profilu
  • hmotnosť 5,5kg/1m
  • pre vozík CA8S - SPEED S, SPEED C
Hmotnosť
34 kg

Alternatívne produkty

Už 20 rokov predaja kvalitných pohonov
Neviete si rady? Využite náš zákaznícky servis
V prípade záujmu zaistíme
odbornú montáž